

| Упаковка (шт.) | 10 |
| Наличие запорной планки | Есть |
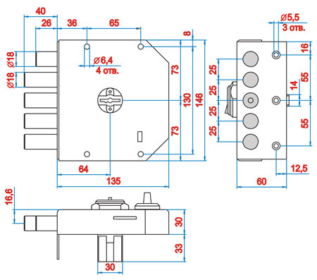
| Выход стержней | 40мм |
| Габаритные размеры | 135x146x30 |
| Диаметр стержня | 18 мм |
| Количество сувальд | 6 шт |
| Масса брутто одного замка | 2,21 кг |
| Механизм секретности | сувальдный |
| Общая площадь поперечного сечения стержней | 1017,8 мм2 |
| Цвет | Медный антик |